Az Eurotec Terrassotec teraszcsavarok 5,5 mm (rozsdamentes A2, 200 db) megbízható és hosszú távú rögzítést biztosítanak kültéri fa teraszokhoz és faszerkezetekhez. A csavarok ötvözik a korrózióállóságot, a mechanikai szilárdságot és az esztétikus felületet.
Főbb jellemzők és előnyök
-
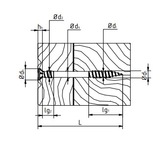
Rozsdamentes acél A2 – kiváló védelem rozsda és időjárás ellen
-
5,5 mm átmérő – nagyobb stabilitás, erősebb tartás szélesebb vagy keményebb teraszdeszkákhoz
-
Süllyesztett fej – tiszta, egyenletes felület, esztétikus megjelenés
-
Kettős menet – a felső rész leszorítja a deszkát, az alsó biztosan rögzíti az aljzathoz
-
Önmaró hegy – előfúrás nélkül is könnyű szerelés a legtöbb fafajtánál
-
TX (Torx) hajtás – biztonságos nyomatékátvitel, kisebb kicsúszási esély
Ezek a csavarok ideálisak teraszok, kültéri fa padlók és látható faszerkezetek építéséhez, ahol fontos a tartósság és az esztétikus kivitel.







